Novi artikli
REGULATOR PRETOKA VRFU - DUŠILNO NEPOVRATNI VENTIL 3/8 ENOSMERNI - 30lit

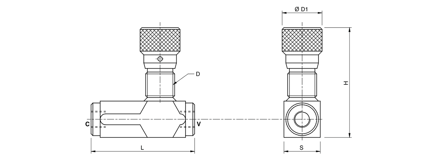
| OM Ref. | Tip | Max. pretok: | Max. tlak: | Navoj (V - C) | L | D | D1 | H (min - max) | S |
| l/min | bar | mm | |||||||
| V0581 | VRFU 90° 1/4” | 15 | 350 | G1/4” | 73 | M22 X 1,5 | 34 | 77 - 87 | 22 |
| V0582 | VRFU 90° 3/8” | 30 | 350 | G3/8” | 83 | M22 X 1,5 | 34 | 83 - 96 | 25 |
| V0583 | VRFU 90° 1/2” | 50 | 350 | G1/2” | 94 | M22 X 1,5 | 34 | 88 - 101 | 30 |
| V0588 | VRFU 90° 3/4” | 80 | 320 | G3/4” | 110 | M35 X 1,5 | 40 | 110 - 124 | 40 |
| REGULIRAN PRETOK | ENOSMERNI | PROSTI PRETOK |

Regulatorji pretoka VRFU
VRFU so kompaktni enosmerni regulatorji pretoka, namenjeni natančnemu uravnavanju hitrosti hidravličnih aktuatorjev. Uporabljajo se v sistemih, kjer je potreben nadzorovan pretok v eni smeri ter prost pretok v nasprotni smeri.
Uporaba:
Ventil VRFU deluje kot enosmerni regulator pretoka. Pretok olja je natančno reguliran v eni smeri (iz C proti V), medtem ko je v nasprotni smeri (iz V proti C) prost. Ker ventil ne kompenzira tlaka v prosti smeri, je dejanski pretok močno odvisen od tlaka in viskoznosti olja.
Material:
-
Ohišje: trdokovinsko, pocinkano
-
Tesnila: BUNA N standard
-
Zapiralo: krogljični tip
Priklop in delovanje:
Priključek V povežite na tlačno stran, C pa na aktuator. Regulacija pretoka poteka iz C proti V, prost pretok pa v nasprotni smeri (V → C).
Pri uporabi v kombinaciji z blok ventilom mora biti regulator pretoka nameščen med aktuatorjem in blok ventilom. Pretok se nastavlja z obračanjem plastične vrtljive pipe na ohišju ventila.
OM referenčna številka: V0582






